时间:2014-11-15来源:金旗舰散热器 作者:admin1 点击:
什么是供暖系统图

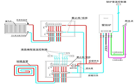
采暖系统图,有的文献称为采暖系统轴侧图,主要表达采暖系统中的管道、设备的连接关系、规格与数量。不表达建筑内容。内容应包括:⑴采暖系统中的所有管道、管道附件、设备都要绘制出来。⑵标明管道规格、水平管道标高,坡向与坡度。⑶散热设备的规格、数量、标高,散热设备与管道的连接方式。⑷系统中的膨胀水箱、集气罐等与系统的连接方式。
供暖系统图包括哪些部分
常见的大部分采暖系统中供暖系统施工主要分为:供暖系统平面图、系统轴测图、详图和设计、施工说明四个方面。
供暖系统图怎么识图
1、先看平面布置,再看流程图(能显示立面)。如果算量,阀门等必须按流程图计算??赐嫉氖焙颍日夜艿廊肟?,从头往下缕一直到末端。
2、图纸标注有标高,图号,管道代号,系统图必须要结合平面供暖图,把以上管道代号对应起来。
3、线条为管道,小方形为图例散热器,散热器旁边有个小图例为阀门,Rg为热水进路,Rh为热水回路,DN是管道的直径管道型号,圆圈内为散热器的编号;
供暖系统平面图分为3个部分
它是利用正投影原理,采用水平全剖的方法,面布置,应连同房屋平面图一起回出。内容包括:
1、标准层平面:

应表明立管位置及立管编号装方式。
2、

:
除了有与标准层平面团相同的内容外,还应表明总立管、水平干管的位置、走向、立管编号、干管坡度及干管上阀门、固定支架的安装位置与型号;膨胀水箱、集气昭等设备的位置、型号及其与管道的连接情况。
3、底层平面图:

除了有与标准层平面团相同的内容外,还应表明引人口的位置,回水总管的走向、位置及采用的标准图号(或详固号),回水干管的位置,室内管沟括过门地沟)的位置和主要尺寸,活动盖板和管道支架的设置位置。
供暖系统轴测图

又称系统固,是表示采暖系统的空间布置情况,暖气片与管道的空间连接形式,设备、管道附件等空间关系的立体图。标有立管编号、管道标高、各管段管径,水平干管的坡度,散热器的片数(或长度)及集气罐、膨胀水箱、阀件的位置、型号规格等??闪私夤┡低车娜?。比例与平面团相同。
供暖系统详图
表示采暖系统节点与设备的详细构造及安装尺寸要求。平面团和系统图中表示不清,又无法用文字说明的地方,如热力引人口、膨胀水箱的构造和配管、管沟断面、保温结构等可用详图表示。详图常用的比例是(1:10)一(1:50)。
如果选用的是国家标准图集,可给出标淮图号,由施工人员在有关标准图集中查询。
设计、施工说明
说明设计图纸无法表达的问题,如热源情况、采暖设计热负荷、设计意图及系统形式,进出口压力差,暖气片的种类、形式及安装要求,管道的敷设方式、防腐保温、水压试验要求,施工中需参照的有关专业施工图号成采用的标准图号等。
供暖系统图怎么画:
1、计算不同直径的钢管长度(连接方式)
2、钢管的除锈刷漆
3、散热器的型号和数量
4、管线上不同型号阀门的数量
地址:北京市丰台区丽泽桥西美克大厦507 网站:m.n4y62d.cn???邮箱:jinqijian188@163.com 联系电话:13001131293